290,00 DKK
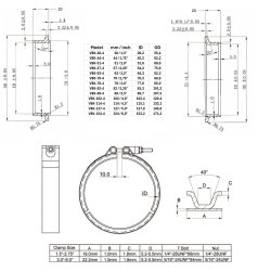
Ø 82 mm (3,25") clampsæt
Komplet sæt Ø 82 mm (3,25") indeholdende kraftig V-band clamp og 2 svejseflanger i han/hun, kræver ikke pakning
Relaterede produkter
VBK-38-4
180,00 DKK
VBK-44-4
187,50 DKK
VBK-51-4
192,50 DKK
VBK-57-4
203,75 DKK
Kunder der har købt dette produkt har også købt
1910T
295,00 DKK
HTS200x250K